
武漢華電高科控制臺適用于0.5-5kVA試驗變壓器的調壓控制。過調整自耦變壓器輸出電壓,從而實現試驗變壓器額定電壓范圍內的工作調節。控制臺內裝有高壓輸出電壓表,低壓輸出電流表,可以方便地讀出試驗電壓值。通過過流保護電路,可靠地保護設備,設計的計時報警電路,做試驗時更便捷。經用戶使用證明,其原理簡單,結構緊湊,工作可靠,使用方便,是高壓試驗的理想設備。
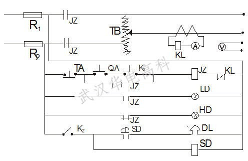
操作箱電氣原理圖
使用方法及注意事項:
1.核對試驗變壓器測量繞組額定輸出電壓,使之與操作箱匹配無誤.
2.按接線示意圖接好實驗變壓器與操作箱(臺)之間連線.
3.接通電源,合上刀開關,電源指示燈亮,設定時間繼電器的工作時間.
4.將調壓器回零,按下啟動按扭,順時針旋轉手輪,直至達到所需值.
5.開啟計時開關,計時開始,到達設定時間電鈴自動報警(無報警功能的則人為控制時間)然后斷開計時開關.
6.試驗完畢,將調壓器調零,按下停止按鈕,切斷電源,解除接線。
7.在試驗過程中,如發現異常或冒煙,有異味等,應立即停止升壓,迅速降壓至零位.檢查無誤后,方可重新開始。
8.嚴禁在正常工作時切斷電源或不在零電壓時加壓。
9.長期未用的設備,在重新使用時必須用兆歐表進行絕緣測量,確定阻值不低于0.5兆歐,方可繼續使用.
10.使用本產品進行高壓試驗,除熟悉本說明書外,還須熟悉《電氣設備預防性試驗規程》。
電氣外部連接示意圖
華電高科主要經營電氣設備、電子產品、儀器儀表制造、安裝;計算機軟件開發;電子元器件、電線電纜、五金交電批發等串聯諧振實驗裝置、絕緣耐壓測試設備、避雷器電纜測試設備、繼保/回路測試設備、開關斷路器檢測設備、蓄電池/直流測試設備等。華電高科供應電力檢測設備、高壓試驗設備、電力實驗設備、電力檢修設備等產品,真正的為客戶創造價值、節省費用,實現“設備永續、設備無憂”!