
目前斷路器在正常使用期間,維護量很少,尤其是SF6斷路器、真空斷路器等,基本上屬于免維護型,本體和液壓機構不解體。但現場還是需要按《規程》定期維護。每5年進行操作試驗就是其中維護內容,測量分合閘時間和分合閘不同步程度等。
一、動作時間定義
1.固有分閘時間。它是由發布分閘命令(指分閘回路接通)起到滅弧觸頭剛分離的一段時間。
2.合閘時間。它是由發布合閘命令(指合閘回路接通)起到最后一相的主滅弧觸頭剛接觸為止的一段時間。
3.分閘和合閘同步差。它是指分閘或合閘時三相之差。
二、時間測量方法
1.用電秒表測量法或周波計數器測量法測量分合閘時間,測量接線圖如圖1-1所示。

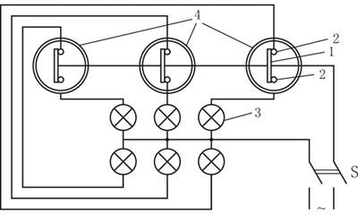
圖1-1所示 斷路器分、合閘時間測量原理接線圖
(a)分閘時間測量;(b)合閘時間測量
1-電秒表;2-開關觸頭;3-分閘繞組;4-合閘繞組;5-開關;電源開關
圖1-1(a)中,先合開關5.然后合電源開關6,電秒表1和分閘繞組3的電路同時接通,電秒表1開始計時;而同時分閘繞組起動斷路器分閘,而開關觸頭2分開,電秒表因電源停電而停止計時,此時電秒表記錄的時間即為斷路器的固分時間。如圖1-2(b)所示,先合開關5,后合開關6,此時合閘繞組4和電秒表1同時接通,電秒表開始計時,當斷路器的動觸頭接通時,電秒表停止計時,此時電秒表記錄的時間為斷路器的合閘時間。
電秒表雖然簡單,但因受電秒表本身的啟動時間和電源開關不同步等給測量帶來誤差,使分散性較大,應該至少測3次,取其平均值。但沒有更先進的測量儀器時,測量比較簡單。
2.三相同步差的測量方法。
(1)可人工慢分、慢合開關,可用各相行程的差值近似估算斷路器動作的同步差,接線圖如1-2所示。

圖1-2 用燈亮法測量斷路器的同步差接線圖
1-斷路器動觸頭;2-斷路器靜觸頭;3-燈泡;4-斷路器
燈泡3與斷路器4的動、靜觸頭串聯,合上電源開關S,觀看慢分、慢合過程中燈泡亮暗先后次序,也就是各相動靜觸頭接觸或分離的先后次序,用直尺量各相的行程差,以此來大概估算三相動作的同步差。
(2)對于快速斷路器,應采用示波器錄波或數字式毫秒表測量同步差,可得到準確結果。測量接線圖如圖1-4和1-5所示。目前使用的光線示波器,也不用沖洗膠卷,直接在感光線上用日光燈或太陽光照射即可,非常方便。
用示波圖可以計算分合閘和不同時期。如時間tab,為ab段所跨越的時標周波數乘以時標的周期T。時標頻率f=1000Hz,則周期T=1/f=1(ms),即tab=nT(ms).其中,n為ab段所跨越的時標周波數。
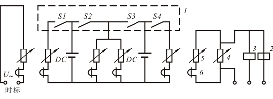
三相斷路器也可以按圖1-3接線進行測量。這樣二次錄波,就可以把分合閘和同步差測量出來。

圖1-3 用電磁示波器測量斷路器動作時間原理接線圖
1-斷路器;2-分閘繞組;3-合閘繞組;4-分流器;5-分壓器;
6-示波器振子;S1~S4-斷口;DC-電池

圖1-4 斷路器分閘錄波圖
1~4-斷口的波形;5-分閘電流線;6-時標;tab-分閘時間;tbc-分閘同步差

圖1-5 斷路器合閘錄波圖
1~6-斷口的波形;7-合閘電流線;tab+tbc-合閘時間;tbc-合閘同步差。
3.專門斷路器動特性測試儀測量。
目前,由于科技的發展,對斷路器特征測量制造出多種型號的整套測量儀器,不但使用方便,而且測量數據準確;一臺開關動特性測試儀,可以測量各種參數。如GKC-802斷路器動作特性測試儀,適合各種斷路器測量分、合閘時間、同期性;合分閘瞬時、平均及最大速度,以及升距、超距等;還能測量彈跳時間、次數及彈跳最大幅度等。