
絕緣電阻測試儀是測量絕緣電阻的專用儀表。
常見的絕緣電阻測試儀根據其電壓等級有100V、250V、500V,1000V,2500V,5000V等幾種;從使用型式分又分為手搖式和電動式。高壓電力設備絕緣預防性試驗中,常用的絕緣電阻測試儀是1000V,2500V,5000V 。
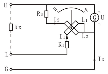
常用手搖式絕緣電阻測試儀的原理接線如圖1-1所示。從絕緣電阻測試儀外觀看有三個接線端子,它們是:

圖1-1 手搖式絕緣電阻測試儀原理接線圖
“L”端子——線路端子,輸出負極性直流高壓時接于被試品的高壓導體上。
“E”端子——接地端子,輸出正極性直流高壓時一般接于被試品外殼或地。
“G”端子——屏蔽端子,輸出負極性直流高壓,測量時接于被試品的屏蔽環上,以消除表面或其他不需測量的部分泄漏電流的影響。
手搖式絕緣電阻測試儀的直流電源一般由內裝手搖發電機供給。數字絕緣電阻測試儀的直流電源則采用電池使晶體管振蕩器產生交變電壓,經變壓器升壓及倍壓整流后輸出的直流高壓供給。
圖1-1中,L1、L2分別為絕緣電阻測試儀的電流線圈與電壓線圈,二者繞向相反,固定在同一轉軸上,并可帶動指針旋轉;由于設有彈簧游絲,所以指針沒有反作用力矩,當線圈中沒有電流時,指針可停留在任意偏轉角α位置。
RU為分壓電阻,RI為限流電阻,RX為被試設備絕緣電阻。當測量某一被試品RX時,線圈L1、L2中分別流過電流I1、I2,產生的兩個不同方向的轉動力矩為:
M1=I1f1(α)
M2=I2f2(α)
在這兩個力矩差的作用下,可動部分旋轉,一直旋轉到力矩平衡時為止,即:
M1=M2 或 I1f1(α)=I2f2(α)
I1/I2=f2(α)/f1(α)=f(α)
或者說α=f(I1/I2)
由圖1-1可見,I1的大小決定于回路電壓U,以及RI和RX之和,即:I1=U/RI=RX;I2的大小決定于U與RU。即:I2=U/RU,所以:
α=f{(U/RI+RX)/(U/RU)}=f{RU/(RI+RX)}
由于RI、RU為常數,所以:
α=f(RX)
即絕緣電阻測試儀的轉偏角α的大小是絕緣電阻RX的函數,由RX決定。
流過屏蔽端子“G”的電流I3不流過L1、L2線圈,故對絕緣電阻測試儀偏轉角α無影響,即對絕緣電阻Rx無影響,起到了屏蔽作用。
將”L”、“E”端子短接,流過電流線圈L1的電流最大。指針按逆時針方向轉到最大位置,此位置應是“0”值位置。當“L”、“E”端子間開路時,電流線圈L1中沒有電流流過,只有電壓線圈L2中有電流流過,于是指針按順時針方向轉到最大位置,并指“∞”,即被測電阻RX為無窮大。這種方法在現場可用于簡單判斷絕緣電阻測試儀正常與否。注意短接“L”、“E”端子的時間不宜很長。
當“L”、“E”端子間接上被測電阻RX時,其數值若在“0”與“∞”之間變化,則指針停留的位置有L1、L2兩個線圈中的電流I1和IU的比值決定,由于RX是串在L1支路中,故I1的大小隨RX的大小變化而變化,于是RX的大小就決定了指針的偏轉角位置。
用標準電阻作為被測件刻度絕緣電阻測試儀的表盤,然后用此絕緣電阻測試儀測量被測電阻,根據表盤指示,就可以知道被測電阻的大小。
絕緣電阻測試儀測的的電阻與其端電壓有關系。絕緣電阻測試儀所測得的絕緣電阻同端電壓的關系曲線叫絕緣電阻測試儀的負載特性,如圖1-2所示。

圖1-2 絕緣電阻測試儀的負載特性示意圖
當被試品絕緣電阻過低時,表內電壓降低將使其端電壓顯著下降;端電壓劇烈下降時,測得的絕緣電阻值就不能反映絕緣的真實情況。一般絕緣電阻測試儀的容量較小,測得的大容量設備的絕緣電阻—般準確性都較低。
不同型號的絕緣電阻測試儀,其負載特性不同,因此用不同型號的絕緣電阻測試儀測量結果有明顯差異。實際測量當中,為便于縱向及橫向比較,同類設備盡量采用同一型號絕緣電阻測試儀。