
一、絕緣電阻試驗使用范圍
1.當電氣設備絕緣受潮,表面變臟,留有表面放電或擊穿痕跡時,其絕緣電阻會顯著下降。測量絕緣電阻可有效反映上述絕緣缺陷。
2.測量儀器。根據絕緣等級和測試要求的不同,采用輸出電壓為100V、250V、500V、1000V、2500V、5000V、10000V等的絕緣電阻測試儀。
3.由于絕緣電阻試驗所施加的電壓較低,對于一些集中性缺陷,即使可能是很嚴重的缺陷,但在測量時顯示絕緣電阻仍然很大的現象,
注:絕緣電阻試驗只適用于檢測貫穿性缺陷和普遍性缺陷。
二、絕緣電阻試驗的主要參數及技術指標
1.“吸收現象”
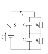
電氣設備的絕緣,不能等值為單純的電阻,其等值電路往往是電阻電容的混合電路。因此,在絕緣試驗中測得的并不是一個純電阻。如圖1-1為雙層電介質的一個簡化等值電路。
當合上開關S將直流電壓U加到絕緣上,開始電流很大,以后逐漸減小,最后趨近于一個常數Ig;這個過程的快慢,與絕緣試品的電容量有關,電容量越大,持續的時間越長,甚至達數分鐘或更長時間。
圖1-2中曲線i和穩態電流Ig之間的面積為絕緣在充電過程中從電源“吸收”的電荷Qa。這種逐漸“吸收”電荷的現象就叫做“吸收現象”。

在絕緣電阻試驗中,所測絕緣電阻是隨測量時間變化而變化的,只有當t=∞時,其測量值為R=R∞,但在絕緣電阻試驗中,特別是電容量較大時,很難測量R∞的值。
R60S
在實際試驗中,規程規定,只需測量60s時的絕緣電阻值,即R60S的值,當電容量特別大時,吸收現象特別明顯,如大型發電機,可以采用10min時的絕緣電阻值R10min。
2.吸收比K、極化指數PI
對于不均勻的絕緣試品,如果絕緣狀況良好,則吸收現象明顯,如果絕緣受潮嚴重或內部有集中性的導電通道,這一現象則不明顯。工程上用“吸收比”來反映這一特性,吸收比一般用K表示,其定義為:
K = R60s / R15s (1-1)
對于電容量較大的絕緣試品,可采用極化指數PI表示:
PI= R10min / R1min (1-2)
3.技術指標
當絕緣狀況良好時,K值較大,其值遠大于1;
當絕緣受潮時,K值將變小,一般認為如K<1.3時,就可判斷絕緣可能受潮。
對電容量較小的絕緣試品,可以只測量其絕緣電阻,對于電容量較大的絕緣試品,不僅要測量其絕緣電阻,還要測量其吸收比。
三、試驗設備
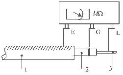
1.搖表
搖表有三個接線端子:線路端子(L),接地端子(E),屏蔽(或保護)端子(G),被試品接在L和E之間,G用以消除絕緣試品表面泄漏電流的影響,其試驗原理接線如圖1-3所示。

在絕緣試驗中,如不接屏蔽端子,測得的絕緣電阻是表面電阻和體積電阻的并聯值,因為這時沿絕緣表面的泄漏電流同樣流過搖表的測量回路。如果在表面上纏上幾匝裸銅線,并接到端子G上,則絕緣表面泄漏電流不流過搖表的測量回路,這時測得的結果便是消除了表面泄漏電流影響的真實的體積電阻。

(1)測量時必須保持轉速的恒定,手柄轉速達到額定轉速(通常為120r/min)的80%以上即可。
(2)當試品電容較大時,測量后須先將搖表從測量回路中斷開,然后才能停止轉動發電機,以免試品電容電流反充損壞儀器。
(3)目前工程上大量采用絕緣電阻測試儀。
與手搖式搖表相比,絕緣電阻測試儀不僅試驗工作量降低,測量吸收比時更容易,而且電源容量可以做得較大,同時,一臺絕緣電阻測試儀還可以將幾種不同電壓集成在一臺設備中,適用面更廣。
2.絕緣電阻測試儀
絕緣電阻測試儀測量大容量設備的絕緣電阻,測試時間長,而恒速搖動絕緣電阻測試儀10min是極難做到的。
用絕緣電阻測試儀測試電氣設備時,用不同電壓等級的絕緣電阻測試儀,測同樣的電氣設備,測出的阻值是不相同的。如用2500V絕緣電阻測試儀測得電氣設備的絕緣電阻為5000MQ,再用5000V絕緣電阻測試儀測試時,阻值將小于5000MQ。另外,在進行測試時,由于其輸出電壓會隨手柄轉速的變化而變化,對電容性試品,當轉速高時,輸出電壓也高,該電壓對被試品充電,當電壓低時,被試品向絕緣電阻測試儀充電,導致表針擺動,影響準確讀數。
數字式的測量儀具有(1)測量范圍廣、誤差小,(2)實時時鐘控制,計時精準,(3)抗干擾,(4)無需搖動手柄,(5)良好的安全措施等優點。
四、絕緣電阻試驗結果判斷的基本方法---比較法
在絕緣電阻試驗中,所測絕緣電阻值與絕緣材料的結構、體積有關,與所用的絕緣電阻測試儀的電壓高低有關,還與大氣條件有關;不能簡單的用絕緣電阻的大小或吸收比來判斷絕緣的好壞。
在排除了大氣條件的影響后,所測絕緣電阻值和吸收比應與其出廠時的值比較,與歷史數據相比較,與同批設備相比較,其變化不能超過規程允許的范圍。同時,應結合絕緣電阻值與吸收比的變化結合起來綜合考慮。
五、測量絕緣電阻的規定
1.測試規定
①試驗前應拆除被試設備電源及一切外連線,并將被試物短接后接地放電1min,電容量較大的應至少放電2min,以免觸電。
②校驗絕緣電阻測試儀指針在短路時是否指零,在開路時是否指無窮大。
③用干燥清潔的柔軟布擦去被試物的表面污垢,必要時可先用汽油洗凈套管的表面積垢,以消除表面的影響。
④接好線,如用手搖式絕緣電阻測試儀時,應用恒定轉速(120r/min)轉動搖柄,絕緣電阻測試儀指針逐漸上升,待1min后讀取其他絕緣電阻值。
⑤在測量吸收比時,為了在開始計算時就能在被試物上加上全部試驗電壓,應在絕緣電阻測試儀達到額定轉速時再將表筆接于被試物,同時計算時間,分別讀取15s和60s的讀數。
⑥試驗完畢或重復進行試驗時,必須將被試物短接后對地充分放電。這樣除可保證安全外,還可提高測試的準確性。
⑦記錄被試設備的銘牌、規范、所在位置及氣象條件等。
2.測試時注意事項
①對于同桿雙回架空線或雙母線,當一路帶電時,不得測量另一回路的絕緣電阻,以防感應高壓損壞儀表和危及人身安全。對于平行線路,也同樣要注意感應電壓,一般不應測其絕緣電阻。在必須測量時,要采取必要措施才能進行,如用絕緣棒接線等。
②測量大容量電機和長電纜的絕緣電阻時,充電電流很大,因而絕緣電阻測試儀開始指示數很小,但這并不表示被試設備絕緣不良,必須經過較長時間,才能得到正確的結果。使用手搖式絕緣電阻測試儀測量大容量設備的絕緣電阻時,試驗結束時手不能停,耍先斷開L線與被測設備之間的聯接,再停止轉動搖表,并立即對被測設備放電和接地,防止被試設備對絕緣電阻測試儀反充電損壞絕緣電阻測試儀和被測設備所帶高電壓電人。
③如所測絕緣電阻過低,應進行分解試驗,找出絕緣電阻最低的部分。
④一般應在干燥、晴天、環境溫度不低于50C時進行測量。在陰雨潮濕的天氣及環境濕度太大時,不應進行測量。
⑤測量絕緣的吸收比時,應避免記錄時間帶來的誤差。
⑥為了避免表面泄漏電流的影響,測量時應在絕緣表面加等電位屏蔽環,且應靠近E端子裝設。
⑦絕緣電阻測試儀的L和E端子接線不能對調。用絕緣電阻測試儀測量電氣設備絕緣電阻時,其正確接線方法是L端子接被試品與大地絕緣的導電部分,E端子接被試品的接地端。
⑧絕緣電阻測試儀與被試品間的連線不能鉸接或拖地,否則會產生測量誤差。
⑨采取絕緣電阻測試儀測量時,應設法消除外界電磁場干擾引起的誤差。消除外界電磁場干擾的辦法是:
遠離強電磁場進行測量;
采用高電壓級的絕緣電阻測試儀,例如使用5000V或10000V的絕緣電阻測試儀進行測量;
利用絕緣電阻測試儀的屏蔽端子G進行屏蔽。
(10)對同一設備進行測量時,應采用同樣的絕緣電阻測試儀、同樣的接線,以便于比較判斷。
六、影響測試絕緣電阻的主要因素
1.濕度
當空氣相對濕度增大時,絕緣物將吸收較多的水分,使電導率增加,降低了絕緣電阻的數值,尤其是對表面泄漏電流的影響更大。
2.溫度
電氣設備的絕緣電阻隨溫度變化而變化的,其變化的程度隨絕緣的種類而異。當溫度升高時,電導增加,降低了絕緣電阻。
目前我國規定了一定溫度下的標準數值,盡可能在相近溫度下進行測試,以減少由于溫度換算引起的誤差。
3.表面臟污和受潮
表面臟污或受潮會使其表面電阻率大大降低,絕緣電阻將明顯下降。必須設法消除表面泄漏電流的影響,以獲得正確的測量結果。
4.被試設備剩余電荷
對有剩余電荷的被試設備進行試驗時,會出現虛假現象,由于剩余電荷的存在會使測量數據虛假地增大或減小。
要求在試驗前先充分放電10min,以消除剩余電荷。
5.絕緣電阻測試儀容量
實測表明,絕緣電阻測試儀的容量對絕緣電阻、吸收比和極化指數的測量結果都有一定的影響。絕緣電阻測試儀容量愈大愈好??紤]到我國現有一般絕緣電阻測試儀的容量水平,推薦選用最大輸出電流1mA及以上的絕緣電阻測試儀,這樣可以得到較準確測量結果。
七、測量結果
規程規定了電力設備絕緣電阻允許值。
將所測得的結果與有關數據比較。通常用來作為比較的數據包括:同一設備的各相間的數據、出廠試驗數據、耐壓前后數據等。如發現異常,應立即查明原因或輔以其他測試結果進行綜合分析、判斷。
吸收比僅反映測量剛開始時的數據,不能或來不及反映介質的吸收過程。而極化指數測量時間較長,在一定程度上反映了部分介質吸收過程,因此極化指數在判斷絕緣受潮問題上比吸收比更為準確。所以,對于吸收過程較長的大容量設備,如大型變壓器、發電加、電纜等,有時用R60/R15吸收比值不足以反映絕緣介質的電流吸收全過程,為更好地判斷絕緣是否受潮,可采用極化指數衡量。
極化指數測量加壓時間較長,用手搖絕緣電阻測試儀很難控制轉速穩定,一般采用電動絕緣電阻測試儀測量。測定的電介質吸收比率與溫度無關,變壓器的極化指數一般應大于1.5,絕緣較好時其值可達3—4。