
局部放電測量
1.變壓器局部放電特點
變壓器內部絕緣結構主要采用油紙絕緣,其絕緣結構較復雜,在設計過程中可能造成局部區域場強過高;變壓器在測量過程中可能導致絕緣中含有氣泡和較多的水分,在運行過程中油紙劣化可分解出氣泡,機械振動和熱脹冷縮可造成局部開裂也會出現氣泡等等,這些情況都會導致在較低外施電壓下發生局部放電。
變壓器放電脈沖是沿繞組傳播的,放電脈沖波沿繞組傳播的衰減隨測量頻率的增加而增大。對于變壓器來說,油中放電對絕緣損壞是主要的,而油中放電時延較長、低頻分量較大。
2.局放分類
電力變壓器中局部放電可分為:
(1)繞組中部油-屏障絕緣中油道擊穿;
(2)繞組端部油道擊穿;
(3)接觸絕緣導線和紙板(引線絕緣、搭接絕緣、相間絕緣)的油間隙擊穿;
(4)引線、搭接紙等油紙絕緣中局部放電;
(5)線圈間(縱絕緣)的油道擊穿;
(6)匝間絕緣局部擊穿;
(7)紙板沿面滑閃放電。
3.變壓器局部放電測量
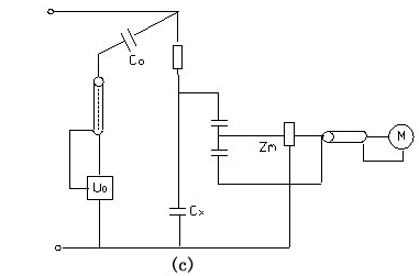
變壓器局部放電測量主要包括三種情況:單相勵磁變壓器、三相勵磁變壓器和變壓器套管抽頭的測量,它們測量的基本接線如圖4-6所示。



《規程》規定,對220kV及以上的變壓器在大修后、220kV及以上或120MVA及其以上的變壓器更換繞組后和必要時進行局部放電試驗。變壓器局部放電試驗采用分段升壓的方式,試驗時首先將試驗電壓升到U1=1.3Um/√3或U1=1.5Um/√3保持5min,并在此電壓下進行局部放電測量,然后將試驗電壓加到U2=Um保持5s,然后將電壓加到U1,保持30min,并進行測量。其中Um為變壓器最高工作電壓,在U1=1.5Um/√3下的放電量應不大于500pc,在U1=1.3Um/√3下的放電量應不大于300pc。
在電壓升至U1及由U1再下降的過程中,應記錄起始、熄滅放電電壓。在整個試驗過程中,應連續觀察放電波形,并按一定的時間間隔記錄放電量。在整個試驗期間試品不發生擊穿,在U1的第二階段的30min內,所有測量端子測得的放電電量連續地持續在允許的限值內,并無明顯的增長趨勢,則試品合格。如果放電量曾超出允許限值,但之后有下降并低于允許的限值,則試驗繼續進行,直到30分鐘的期間內局部放電量不超過允許的限值,試品才合格。
4.變壓器局部放電測量中的干擾抑制
在加壓前,觀察未接通高壓電源及接通高壓電源后是否存在較大的干擾,試驗前記錄所有測量電路上的背景噪聲水平,其值應低于規定的視在放電量的50%。
消除變壓器局部放電測試現場的干擾,對準確測量至關重要。變壓器現場試驗的干擾有兩種情況:一種是試驗回路未通電前就存在干擾,其主要來源于試驗回路以外的其他回路中的開關操作、附近高壓電場、電機整流和無線電傳輸等;另一種是在試驗回路通電后產生的干擾,這種干擾包括試驗變壓器本身的局部放電、高壓導體上的電暈或接觸不良放電,以及低壓電源測局部放電、通過試驗變壓器或其他連線耦合到測試回路中的干擾等。對來自電源的干擾,可采用在高壓試驗變壓器的初級設置低通濾波器、電源側加裝屏蔽式隔離變壓器、試驗變壓器的高壓端設置高壓低通濾波器的方法。對于高壓段部電暈放電,可采用合適的無暈環(球)及無暈導桿作為高壓連線。對于接地干擾,必須采用整個試驗回路一點接地方式。
在實驗過程中遇到的主要干擾有:
(1)高壓端部和引線的電暈放電。波形特點是在試驗電壓的負半波出現刷狀放電脈沖。
(2)試驗變壓器的局部放電。其波形與被試變壓器的放電波形一致,需要采用更高額定電壓的試驗變壓器。
(3)懸浮放電干擾。需要采用清理現場的方法抑制懸浮放電。
(4)充油套管表面放電。需要從法蘭到傘群之間的瓷表面刷半導體漆。