
我國目前生產的20kV及以下電壓等級的電流互感器多采用干式固體夾層絕緣結構,在進行定期試驗時,以測量繞組絕緣電阻和交流耐壓為主。
測量繞組絕緣電阻的主要目的是檢查其絕緣是否有整體受潮或者劣化現象。測量一次繞組用2500V絕緣電阻測試儀,二次繞組用1000V或2500V絕緣電阻測試儀,而且非被測繞組應接地。測量時候還應考慮空氣濕度、套管表面臟污對絕緣電阻的影響。必要時將套管表面屏蔽,以消除表面泄露的影響。溫度的變化對絕緣電阻影響很大,測量時應記下準確溫度,以便比較。為減小溫度的影響,最好在繞組溫度穩定后進行測量。
對于35kV及以上電壓等級的互感器,多采用油浸式夾層絕緣結構,除了應進行絕緣電阻和交流耐壓試驗外,尚需做介質損耗角正切值(tanδ)的試驗。
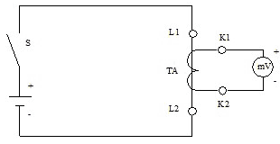
一、電流互感器極性檢查
電流互感器極性檢查實驗接線如圖1-1所示,當開關S瞬間合上時,若L1和K1同極性,則毫伏表的指示為正,指針右擺,然后回零。在電流互感器的極性檢查中L1和K1在鐵芯上起始是按同一方向繞制的,極性檢查采用直流感應法。

油斷路器套管型電流互感器二次側的始端a與油斷路器套管的一次側接線端同極性。當油斷路器兩側電流互感器流過同方向一次電流時,兩側的a端極性恰恰相反,在做極性試驗時,要將斷路器合上,在兩側套管出線處加電壓。如圖1-2所示。

二、電流互感器的勵磁特性試驗
電流互感器的勵磁特性試驗接線如圖1-3所示。


測量電流互感器的勵磁特性可以發現一次繞組有無匝間短路,如圖1-4,計算10%誤差曲線,并從勵磁特性校核用于繼電保護的電流互感器的特性是否符合要求。
試驗時電壓從零向上遞升,以電流為基準,讀取電壓值,直至額定電流。若對特性曲線有特殊要求而需要繼續增加電流時,應迅速讀數,以免繞組過熱。
由于電流互感器一次繞組匝間短路時,勵磁特性在開始部分電流會比正常的略低,因此應在開始部分多測幾點。當電流互感器勵磁電壓較高,電流較大時,輸出電壓可增至500V左右,但讀取的勵磁電流值為毫安級,因此對儀表的選取應加以注意。

根據規程規定,電流互感器只對繼電保護有特性要求時才進行該項試驗,但在調試工作中,當對測量用的電流互感器發生懷疑時,也可測量該電流互感器的勵磁特性,以供分析。
三、電流互感器鐵芯退磁
1.目的
對電流互敢器鐵芯進行退磁主要是因為在有大電流通過的情況下切斷電源或在運行中發生二次開路時,通過短路電流以及在采用直流電源的各種試驗后,可能在電流互感器的鐵芯中留下剩余磁,使電流互感器的比差,尤其是角差增大。
2.方法
使一次繞組開路,當二次繞組額定電流為5A時,通入1~2.5A電流,當二次繞組額定電流為1A時,通過0.2~0.5A的50Hz交流電流,然后使電流從最大值均勻降到零,并在切斷電流電源前將二次繞組短路。且在上述過程中,電流不應中斷或發生突變,重復二、三次后,即可退去電流互感器鐵芯中的剩磁。