
土壤電阻率是接地工程的重要參數,我們在設計、計算接地裝置時應首先測量當地的土壤電阻率,并搞清土壤率在地面水平各方向的變化以及垂直方向的變化規律,以使用最小的投資達到最理想的設計結果。
一、三極法測量土壤電阻率(工程實際中很少采用)
在需要測土壤電阻率的地方,埋入幾何尺寸為己知的接地體,按電壓電流法測出接地體的接地電阻。
測量采用的接地體為一根長3m,直徑50mm的鋼管;或長3m,直徑25mm的圓鋼;或長10~15m,40mm×4mm的扁鋼,其理入深度0.7~1.0m。
采用垂直打入土中的圓鋼,測量接地電阻時,電壓極距電流極和被測接地體20m遠即可。測得接地電阻后,由下式即可算出該處土壤電阻率。即
ρ=(2πιRg)/[1n(4ι/d)]
式中 ρ——土壤電阻率,Ω·m;
ι——鋼管或圓鋼埋入土壤的深度,m;
d——鋼管或圓鋼的外徑m;
Rg——接地體的實測電阻,Ω。
用扁鋼作水平接地體時,土壤的電阻率按下式計算,即
ρ=(2πLRg)/[1n(L2/bh)]
式中 ρ——土壤電阻率,Ω·m;
L——接地體的總長度,m;
h——扁鋼中心線離地面的距離,m;
b——扁鋼寬度,m;
Rg——水平接地體的實測電阻,Ω。
用三極法側量土壤電阻率時,接地體附近的土壤起著決定性作用,所測的土壤電阻率,在很大程度上僅反映了接地體附近的土壤電阻率。
所測得的接地電阻Rg中,還包括了接觸電阻在內,從而引起較大誤差。此外,由于地的層狀或剖面結構,用上述方法換算出來的等值電阻率,只能是對應于被測接地體的尺寸和埋設狀況的地的等值電阻率。這個等值電阻率對于不同類型和尺寸的接地體來說,差別是很大的,因而這種方法在工程實際中很少采用。
二、四極法測量土壤電阻率
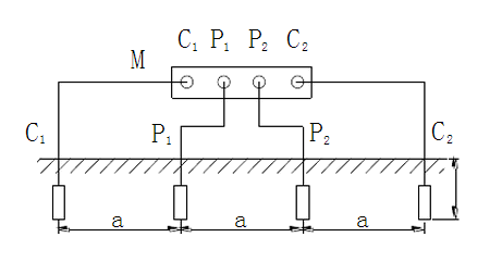
采用四級法測量土壤電阻率時,其接線如圖1-1所示。

圖1-1 四極法測地壤電阻率的試驗接線圖
由外側電極C1、C2通入電流I,若電極的埋深為ι,電極間的距離為aι,則C1、C2電極使P1、P2上出現的電壓分別為:
U2=ρI/2π[1/α-1/2α]
U'2=ρI/2π[1/2α-1/α]
而兩極間的電位差為:
U2-U'2=ρι/2πα
因此ρ=[2πα(U2-U'2)]/I=2πα(U/I)=2παRg (1-1)
式中 ρ——土壤電阻率,Ω·m;
a——電極間的距離,m;
U——P1、P2點的實測電壓,V;
Rg——實測土壤電阻,Ω。
由式(1-1)可知,當a己知時,測量P1、P2兩極間的電壓和流過的電流,即可算出土壤的電阻率。
四極法測得的土壤電阻率,與電極間的距離a有關,當a不大時所測得的電阻率,僅為大地表層的電阻率,其反映的深度隨a的增大而增加。一般測得的ρ值是反映0.75a深處的數值。
具有四個端頭的接地電阻測試儀,均可用于四極法測量土壤的電阻率。
用四極法測量土壤電阻率時,電極可用四根直徑2cm左右,長0.5~1.0m的圓鋼或鋼管作電極,考慮到接地裝置的實際散流效應,極間距離可選取20m左右,埋深應小于極間距離的1/20。測量變電所的ρ值時,應取3~4點以上測量數的平均值作為測量值。
用以上方法測出的土壤電阻率,不一定是一年中的最大值,所以應按下式進行校正。
ρmax=ψρ
式中 ρmax——土壤最大電阻率,Ω·m;
ρ——實測土壤電阻率,Ω·m;
ψ——考慮到土壤干燥的季節系數,其值如表1-1所示,測量時如大地比較干燥,則取表中的較小值,比潮濕時,則取較大值:
|
埋深/m
|
水平接地體
|
長2-3m垂直接地體
|
埋深/m
|
水平接地體
|
長2-3m垂直接地體
|
|
0.5
|
1.4~1.8
|
1.2~1.4
|
2.5~3.0
|
1.0~1.1
|
1.0~1.1
|
|
0.8~1
|
1.25~1.45
|
1.15~1.3
|
-
|
-
|
-
|
注:測量時,如果土壤比較干燥,計算時采用表中較小的ψ值;土壤比較潮濕,則采用較大ψ值。
三、用四極法測量時有以下注意事項
1.對于已運行的變電所測土壤電阻率時,因電流要受到地中水平接地體的影響,因而測量時要找土質相同的遠離接地網的地方進行。
2.為了全面的了解電阻率的水平方向的分布情況,要在被測試的范圍內找不同的4~6點進行測量。
3.為了了解土壤的分層情況,應改變幾種不同的a值進行測量,比如a=10、20、30、50m等。
4.測土壤電阻率時盡量避開地下的管道等,以免影響測試結果。
5.不要在雨后土壤較濕時測土壤電阻率。